梯欧开机器人(苏州)有限公司
TOKK Robot (Suzhou) Co, Ltd.
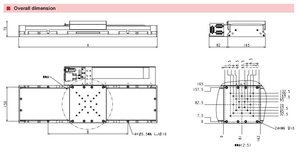
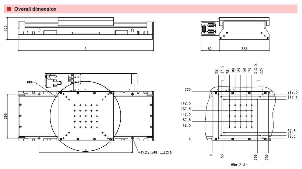
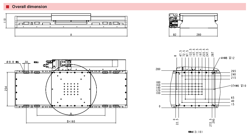
High precision positioning platform for direct drive motor.High performance and low-cost solution.High rigidity mechanical structure.Flexible configuration options (with different travel and width options).The maximum travel distance can reach 1000mm.Excellent cable management.










