梯欧开机器人(苏州)有限公司
TOKK Robot (Suzhou) Co, Ltd.
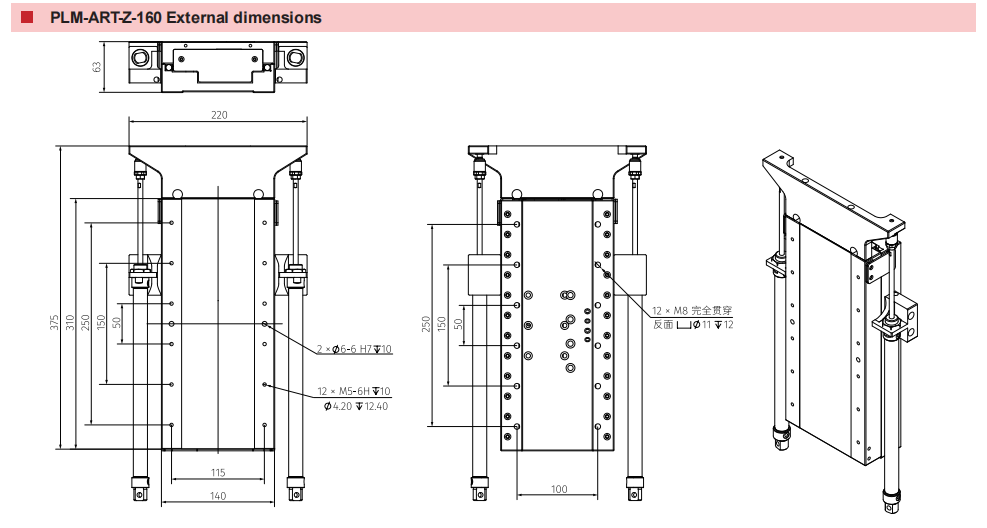
Nano level positioning accuracy.Linear motor drive, using cross roller guide rail.Has excellent dynamic performance and positioning accuracy.The maximum no-load cut-off frequency can reach over 100Hz.Resolution of 1nm.Repetitive positioning accuracy ± 100nm.Positioning accuracy ± 250nm.


