梯欧开机器人(苏州)有限公司
TOKK Robot (Suzhou) Co, Ltd.
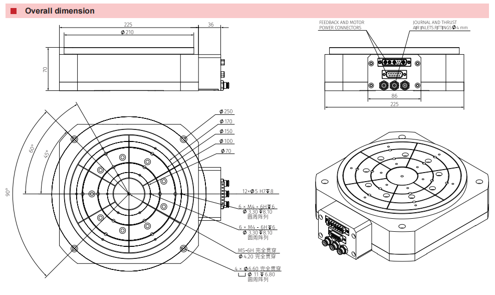
High precision air floating direct drive turntable.Directly driven by a rotating motor.Has excellent dynamic performance and positioning accuracy.Market leading axial, radial, and tilt error motion performanceProvide excellent rotational absolute positioning accuracy, repeatability, and negative.Load capacity, easily integrated into multi axis motion systems.


