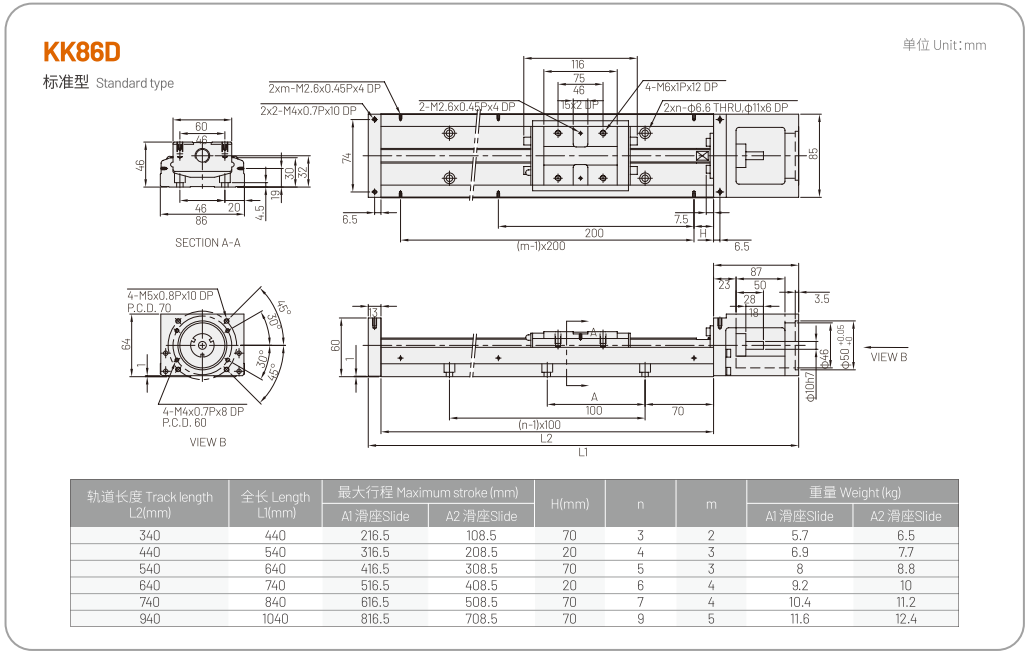
KK 86D

单轴机器人KK型主要是透过模组化之设计,将滚珠丝杠和直线导轨整合在一起,因此可提供具有高精度、快速安装、选用、高刚性、体积小、节省空间等特性。借由高精度之滚珠丝杠做为传动机构,配合*佳化设计之U型轨道做为导引机构,来确保精度与刚性之需求。

产品参数


在线询价
欢迎您来到梯欧开机器人(苏州)有限公司,我们将尽快解答您的疑问!
若您有详细产品的需求请仔细填写,我们会尽快与您取得联系!
  • 产品名称*

  • 您的姓名*

  • 联系电话*

  • 传真号码

  • 您的邮箱*

  • 公司名称*

  • 留言内容*