M80

皮带系列直线模组适用范围为生产线工件换线装置、捆包胶膜切断装置、CNC加工机间搬运装置等用途。应用的产业有TFT-LCD液晶面板设备、太阳能设备、食品设备、包装设备以及CNC加工设备。

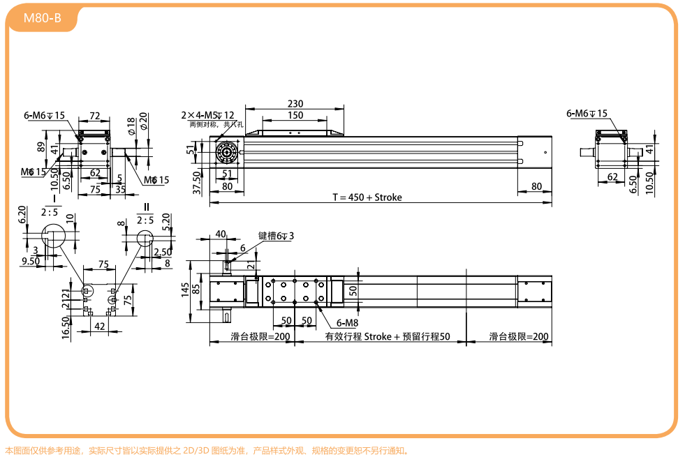
产品参数


资料下载
在线询价
欢迎您来到梯欧开机器人(苏州)有限公司,我们将尽快解答您的疑问!
若您有详细产品的需求请仔细填写,我们会尽快与您取得联系!
  • 产品名称*

  • 您的姓名*

  • 联系电话*

  • 传真号码

  • 您的邮箱*

  • 公司名称*

  • 留言内容*